Áp suất tĩnh mạnh,khoảng cách phân phối không khí dài.
Sức cản không khí thấp, ngăn chặn đến 90% các chất và mùi có hại.
Đường đặc tính:
|
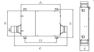
Bản vẽ kỹ thuật:

Kích thước kỹ thuật:
Đơn vị: mm
| Model | A | B | C | D | E | F | G | H | I |
| NH-160 | 650 | 470 | 370 | Φ 95 | 482 | 447 | 400 | 126 | 53 |
| NH-350 | 650 | 470 | 370 | Φ 147 | 482 | 447 | 400 | 200 | 100 |
| NH-650 | 650 | 470 | 370 | Φ 197 | 482 | 447 | 400 | 251 | 149 |
